SANEI

検索
閉じる
メニュー
サイト内検索
品名・品番・JAN検索
検索
×
×
ph7720-1-32
PRODUCTS

商品のご案内

商品詳細

洗面排水栓付Sトラップ
品番:
PH7720-1-32
価格:¥10,600
(税込¥11,660)
●オーバーフロー用
●ポップアップ
●トラップ内の掃除に便利な掃除口付
●排水栓外径:55
●挟込範囲:40.5〜43
●防臭パッキン付VP、VU40・50兼用
●アジャスト付
PH7720-1-32
●オーバーフロー用
●ポップアップ
●トラップ内の掃除に便利な掃除口付
●排水栓外径:55
●挟込範囲:40.5〜43
●防臭パッキン付VP、VU40・50兼用
●アジャスト付
その他のバリエーション
品番 価格 JANコードNo.
表示中 PH7720-1-32 ¥10,600 (税込¥11,660) 4973987570070
パッケージ
パッケージ画像
パッケージサイズ
WHD
11073080
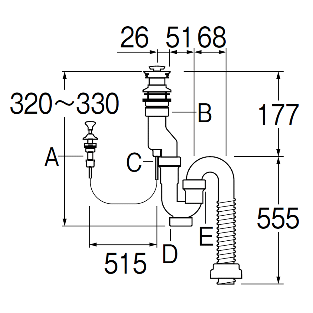
姿図
姿図画像
図面サイズ
BCDE
32G1 1/8G1 1/4G1 1/8G1 1/4

ガイドの挟み込み範囲:~31
取付穴径A:φ11~14
ネジの種類:M10X1

お問い合わせ
商品に関するご質問やカタログのご請求は、Webフォームよりお伺いしています。
お問い合わせいただく際には、製品品番をあらかじめご確認いただけるとご案内がスムーズです。
営業所へのお問い合わせ
弊社営業時間(平日)9:00~17:00
※土日祝祭日・夏季休暇・年末年始は休業いたします。
公式オンラインショップ
24時間受付、 最短で当日発送
※午前中までのご注文分は当日発送いたします。
※土日祝祭日・夏季休暇・年末年始は休業いたします。
データダウンロード
USER'S PHOTO
検索結果に戻る