HOME
ホーム
NEWS RELEASE
ニュースリリース
PRODUCTS
商品のご案内
SUPPORT
サポート
COMPANY
企業情報
IR
IR情報
CONTACTS
お問い合わせ
サイト内検索
品名・品番・JAN検索
サイト内検索
品名・品番・JAN検索
HOME
ニュースリリース
商品のご案内
サポート
企業情報
IR情報
お問い合わせ
プライバシーポリシー
ご利用にあたって
クッキー等の取り扱いについて
サイトマップ
Copyright© SANEI LTD. All rights reserved.
×
×
t73-20
PRODUCTS
商品のご案内
HOME
>
商品情報
>
配管部材
>
配管接手
>
t73-20
商品詳細
エルボ(クロム)
品番:
T73-20
価格:¥3,700
(税込¥4,070)
●材質 青銅
アイコンの詳細についてはこちら
●材質 青銅
その他のバリエーション
品番
価格
JANコードNo.
商品詳細
JT73-13
¥
2,480
(税込¥
2,728
)
4973987797224
商品詳細
JT73-20
¥
3,780
(税込¥
4,158
)
4973987797439
商品詳細
T73-13
¥
2,400
(税込¥
2,640
)
4973987789151
表示中
T73-20
¥
3,700
(税込¥
4,070
)
4973987789694
アイコンの詳細についてはこちら
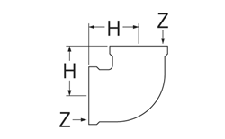
姿図
図面サイズ
H
Z
13
27
Rc1/2
20
32
Rc3/4
データダウンロード
2D CAD
図面(PDF)
商品画像
納入仕様書-表紙ダウンロード
完成図面-表紙ダウンロード
データダウンロードにあたって
お問い合わせ
商品に関するご質問やカタログのご請求は、Webフォームよりお伺いしています。
お問い合わせいただく際には、製品品番をあらかじめご確認いただけるとご案内がスムーズです。
Webフォームからのお問い合わせ
商品に関するご質問はこちら
カタログのご請求はこちら
企業活動について
営業所へのお問い合わせ
SANEIの営業所一覧はこちら
弊社営業時間(平日)9:00~17:00
※土日祝祭日・夏季休暇・年末年始は休業いたします。
公式オンラインショップ
SANEI公式オンラインショップ
SANEI MALL (サンエイモール)
24時間受付、 最短で当日発送
※午前中までのご注文分は当日発送いたします。
※土日祝祭日・夏季休暇・年末年始は休業いたします。
データダウンロード
USER'S PHOTO
その他の写真を見る >
検索結果に戻る